Screw-Locking Cable Benefits

USB cable connections don’t have to be the weak link in your install.

Read More About Screw-Locking View Frequently Asked Questions

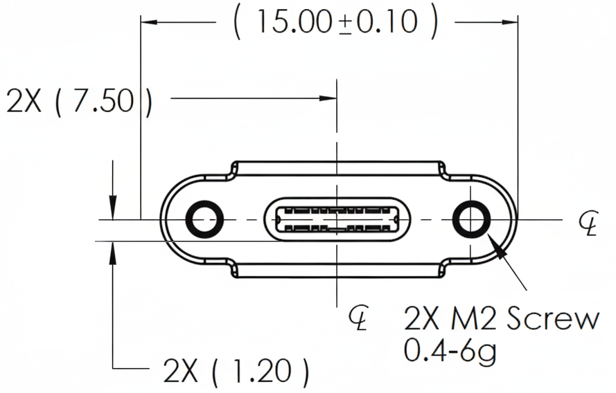
USB Implementors Forum Type-C Standard Measurements

✓ Precision Screw Placement

✓ Proper Thread Fit

✓ Single & Dual Variations

✓ Drawings Ready for Download

Compatible with vision cameras and other technologies following USB-IF standards.

Shop Screw-Lock Cables by connector

Type-A to B
Type-A to C
Type-B to C
Type-C to C
Micro-B

A to B Cables

USB 3.2 Gen 1 A Screw-Lock to B Cables

Product Details

Data Speed 5Gbps
Contact Plating Nickel
Strain Relief Yes
Material TPE
Gauge 26AWG
Color Black

Standard Lengths Available

1.5 ft. $9.993 ft. $10.996 ft. $12.99

10 ft. $13.99

Customize this Cable →

Product Files

*Datasheets available on individual product pages.

USB 3.2 Gen 1 A to B Screw-Lock Cables

Product Details

Data Speed 5Gbps
Contact Plating Nickel
Strain Relief Yes
Material TPE
Gauge 26AWG
Color Black

Standard Lengths Available

1.5ft. $8.995 ft. $10.99

10 ft. $13.99

Customize this Cable →

Product Files

*Datasheets available on individual product pages.

USB 3.2 Gen 1 A Dual Screw-Lock to B Screw-Lock Cables

Product Details

Data Speed 5Gbps
Contact Plating Nickel
Strain Relief Yes
Material TPE
Gauge 26AWG
Color Black

Standard Lengths Available

5 ft. $11.99

Custom Lengths on Request

Customize this Cable →

Product Files

*Datasheets available on individual product pages.

Mechanical Drawing

USB 2.0 A to B Screw-Lock Cables

Product Details

Data Speed 480Mbps
Contact Plating Nickel
Connector A USB-A
Connector B USB-B Screw-Lock
Gauge Data / Power 28AWG / 24AWG
Color Black

Standard Lengths Available

6 ft. $10.99

Custom Lengths on Request

Customize this Cable →

Product Files

*Datasheets available on individual product pages.

USB 2.0 A Screw-Lock to B Cables

Product Details

Data Speed 480Mbps
Contact Plating Nickel
Connector A USB-A Screw-Lock
Connector B USB-B
Gauge Data / Power 28AWG / 24AWG
Color Black

Standard Lengths Available

3 ft. $10.996 ft. $11.9910 ft. $12.99

Customize this Cable →

Product Files

*Datasheets available on individual product pages.

Mechanical Drawing

USB 2.0 A Screw-Lock to B Screw-Lock Cables

Product Details

Data Speed 480Mbps
Contact Plating Nickel
Connector A USB-A Screw-Lock
Connector B USB-B Screw-Lock
Gauge Data / Power 28AWG / 24AWG
Color Black

Standard Lengths Available

6 ft. $9.9915 ft. $16.99

Custom Lengths on Request

Customize this Cable →

Product Files

*Datasheets available on individual product pages.

Mechanical Drawing

A to C Cables

USB 3.2 Gen 1 A Screw-Lock to C Cables

Product Details

Data Speed 5Gbps
Contact Plating Nickel
Strain Relief Yes
Material TPE
Gauge 26AWG
Color Black

Standard Lengths Available

1.5 ft. $9.993 ft. $10.996 ft. $12.99

10 ft. $13.99

Customize this Cable →

Product Files

*Datasheets available on individual product pages.

USB 3.2 Gen 1 A to C Single Screw-Lock Cables

Product Details

Data Speed 5Gbps
Contact Plating Nickel
Strain Relief Yes
Material TPE
Gauge DATA / POWER 30AWG / 24AWG
Color Black

Standard Lengths Available

1.5 ft. $14.493 ft. $15.496 ft. $17.49

Custom Lengths On Request

10 ft. Inquire15 ft. Inquire

Customize this Cable →

Product Files

*Datasheets available on individual product pages.

USB 3.2 Gen 1 A Screw-Lock to C Single Screw-Lock Cables

Product Details

Data Speed 5Gbps
Contact Plating Nickel
Strain Relief Yes
Material TPE
Gauge Data / Power 30AWG / 24AWG
Color Black

Standard Lengths Available

3 ft. $11.996 ft. $12.99

Customize this Cable →

Product Files

*Datasheets available on individual product pages.

USB 3.2 Gen 1 A to C Dual Screw-Lock Cables

Product Details

Data Speed 5Gbps
Contact Plating Nickel
Strain Relief Yes
Material TPE
Gauge DATA / POWER 30AWG / 22AWG
Color Black

Standard Lengths Available

1.5 ft. $14.293 ft. $15.296 ft. $16.49

Custom Lengths On Request

10 ft. Inquire15 ft. Inquire

Customize this Cable →

Product Files

*Datasheets available on individual product pages.

Mechanical Drawing

USB 3.2 Gen 1 A Screw-Lock to C Double Screw-Lock Cables

Product Details

Data Speed 5Gbps
Contact Plating Nickel
Strain Relief Yes
Material TPE
Gauge Data / Power 30AWG / 24AWG
Color Black

Standard Lengths Available

1.5 ft. $10.993 ft. $11.996 ft. $12.99

10 ft. $13.99

Customize this Cable →

Product Files

*Datasheets available on individual product pages.

USB 3.0 A to Screw-Lock C Active Extension Cables

Product Details

Data Speed 5Gbps
Contact Plating Gold
Connector A USB-A
Connector B Screw-Lock USB-C
Gauge Data / Power 28AWG / 24AWG
Color Black

Standard Lengths Available

16 ft. $31.2926 ft. $36.29

Customize this Cable →

Product Files

*Datasheets available on individual product pages.

Mechanical Drawing 16ft., Mechanical Drawing 26ft.

B to C Cables

USB 3.2 Gen 1 B Screw-Lock to C Cables

Product Details

Data Speed 5Gbps
Contact Plating Nickel
Strain Relief Yes
Material TPE
Gauge 26AWG
Color Black

Standard Lengths Available

3 ft. $11.996 ft. $12.99

Customize this Cable →

Product Files

*Datasheets available on individual product pages.

C to C Cables

USB 3.2 Gen 2 C to C Single Screw-Lock Cables

Product Details

Data Speed 10Gbps
Contact Plating Nickel
Strain Relief Yes
Material TPE
Gauge DATA / POWER 32AWG / 21AWG
Color Black

Standard Lengths Available

1.5 ft. $18.493 ft. $19.496 ft. $20.49

Custom Lengths On Request

10 ft. Inquire15 ft. Inquire

Customize this Cable →

Product Files

*Datasheets available on individual product pages.

Mechanical Drawing

USB 3.2 Gen 2 C to C Dual Screw-Lock Cables

Product Details

Data Speed 10Gbps
Contact Plating Nickel
Strain Relief Yes
Material TPE
Gauge DATA / POWER 32AWG / 21AWG
Color Black

Standard Lengths Available

1.5 ft. $15.493 ft. $16.496 ft. $17.49

Custom Lengths On Request

10 ft. Inquire15 ft. Inquire

Customize this Cable →

Product Files

*Datasheets available on individual product pages.

Mechanical Drawing

A to Micro-B

USB 3.2 Gen 1 A Screw-Lock to Micro-B Cables

Product Details

Data Speed 5Gbps
Contact Plating Nickel
Strain Relief Yes
Material TPE
Gauge 26AWG
Color Black

Custom Lengths on Request

Customize this Cable →

Product Files

*Datasheets available on individual product pages.

USB 2.0 A Screw-Lock to Micro-B Cables

Product Details

Data Speed 480Mbps
Contact Plating Nickel
Connector A USB-A Screw-Lock
Connector B USB Micro-B
Gauge Data / Power 28AWG / 24AWG
Color Black

Standard Lengths Available

3 ft. $10.996 ft. $11.99

Customize this Cable →

Product Files

*Datasheets available on individual product pages.

Mechanical Drawing

Screw-Locking Frequently Asked Questions

Simply plug the connector into the mating USB port, then hand-tighten the locking screws until secure. No special tools are required — finger-tight is sufficient for a reliable connection.

Yes. Screw-lock cables function like standard USB cables when used in non-threaded ports. However, the connector housing is slightly larger to accommodate the screws, so ensure there is adequate clearance around the port. The locking screws can also be backed out or removed if needed.

Our single and dual USB Type-C screw-lock cables are USB-IF compliant. These are currently the only screw-lock cable types standardized by the USB-IF. Other screw-lock configurations are designed for industrial applications, interfacing with Coolgear hubs and chargers but are not covered by USB-IF mechanical standards.

No. The locking screws do not impact data transfer or power delivery. In fact, by preventing accidental disconnections, screw-lock cables improve overall system reliability and help reduce downtime.

Yes. We offer screw-lock cables supporting standards from USB 2.0 up to USB 3.2 Gen 2, with data transfer rates up to 10Gbps, depending on the model.

Screw-lock USB cables are commonly used in industrial automation, medical equipment, transportation systems, kiosks, test & measurement setups, and other high-vibration or mission-critical environments where secure, uninterrupted connectivity is essential.

The mating device must have threaded mounting points that match Coolgear’s screw-locking standard — or the USB-IF standard for Type-C screw-lock cables. For exact dimensions and thread specifications, refer to the mechanical drawings available on each product’s listing page.

Tested In-House

Every Coolgear screw-lock USB cable is tested in-house with Total Phase USB cable testers to verify data speed and power performance. Eye diagram testing confirms signal integrity for clean, standard-compliant transmission.

View Sample Report